x
Fiyatlara Gümrük Vergisi, Yurtdışı Kargo ve KDV dahildir!
Amerika'dan Düzenli Olarak Günlük Yükleme Yapıyoruz.
2500 TL ve Üzeri Siparişlerinize Ücretsiz Kargo
⭐%100 Orijinal Ürün Garantisi⭐
Menü
DigiKey Türkiye Distribütörü
Elkom Elk. Elektronik
DİGİ-KEY'in Türkiye'deki
Yetkili Tek İş Ortağıdır.
Detaylı İncele
Hesabım
Şifremi Unuttum
Sepetim
Yukarı Çık

LQW18AN7N5D00D

7.5nH Unshielded Wirewound Inductor 750mA 82mOhm Max 0603 (1608 Metric)

Resimler temsilidir Ürün özellikleri için lütfen ürün açıklamalarını kontrol ediniz
7.5nH Unshielded Wirewound Inductor 750mA 82mOhm Max 0603 (1608 Metric) - 1
7.5nH Unshielded Wirewound Inductor 750mA 82mOhm Max 0603 (1608 Metric) - 2
7.5nH Unshielded Wirewound Inductor 750mA 82mOhm Max 0603 (1608 Metric) - 3
7.5nH Unshielded Wirewound Inductor 750mA 82mOhm Max 0603 (1608 Metric) - 4
ÜRETİCİ KODU : LQW18AN7N5D00D KOPYALA
ÜRETİCİ : Murata Electronics KOPYALA
TEDARİKÇİ KODU : 490-1166-1-ND KOPYALA
TEDARİKÇİ : Digi-KEY Electronics
TEDARİK SÜRESİ : 7 - 10 İş Günü
PAKETLEME TİPİ : Cut Tape (CT)
STOK DURUMU : 25805 Adet (Yurt Dışı Stok!)
Yurt Dışından Kargo ve Gümrük Dahil
Yurt dışından Elektronik Komponent
TESLİMAT SÜRESİ 7 - 10 İŞ GÜNÜ
Tedarik Süresi
KDV Dahil Birim Fiyat
Satış fiyatına tüm gümrük, yurtdışı kargo ve vergi masrafları DAHİLDİR.
7,14 TL
0,13 USD +KDV
Adet
Gelince Haber Ver
Ürün Yurtiçi / Yurtdışı stoklarımıza girdiğinde sizi haberdar edelim.
Tahmini Kargoya Teslim Tarihi: 07.05.2026 - 12.05.2026
Hafta sonu ve resmi tatil tarihlerinde, sonraki ilk iş gününde kargoya verilir.
Miktar
Birim Fiyat
1
7,14 TL
0,13 USD +KDV
10
6,03 TL
0,11 USD +KDV
100
4,98 TL
0,09 USD +KDV
1000
4,09 TL
0,08 USD +KDV
Yüksek Adetli Alımlarınız İçin Lütfen Teklif İsteyiniz.
LQW18AN7N5D00D - MURATA ELECTRONICS - FIXED IND 7.5NH 750MA 82MOHM SMD
PaketCut Tape (CT)
TipiWirewound
Çekirdek MaddeNon-Magnetic
Öz Direnç7.5nH
Tolerans±0.5nH
Anlık Akım (Amps)750mA
Bariyer Akım-
KorumaUnshielded
Doğru akım Direnci82mOhm Max
Frekans Kalite Faktörü35 @ 250MHz
Parazitlik Öz Direnci 6GHz
Değerler-
Çalışma Sıcaklığı -55°C ~ 125°C
Bobin Öz Direnç Test Frekansı 100MHz
Montaj TipiSurface Mount
Paket / Kılıf0603 (1608 Metric)
Tedarikçi Ürün Paketi 0603 (1608 Metric)
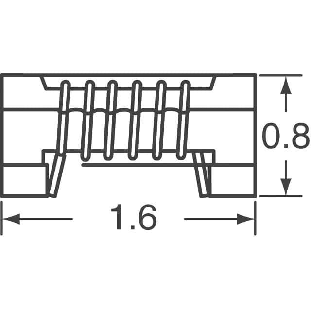
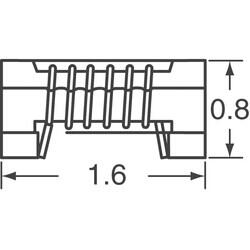
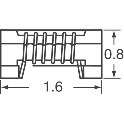
Ölçü / Boyut0.063" L x 0.031" W (1.60mm x 0.80mm)
PCB Yükseklik0.039" (1.00mm)
İlişkili Ürünleri
Tamamlayıcı Ürünler
Benzer Ürünler
Son Bakılan Ürünler
T-Soft E-Ticaret Sistemleriyle Hazırlanmıştır.